トップへ 前項目 次項目 索引

2 コネクタ仕様

各コネクタのピンの配列および信号名は、次のとおりです。

■ ディスプレイコネクタ(DVI-I準拠)

画像

ピン番号
信号名
方向
説明
1
TX2-
出力
データチャンネル2-
2
TX2+
出力
データチャンネル2+
3
TX2/4 Shield

グランド
4
Reserved

未接続
5
Reserved

未接続
6
DDC Clock
入出力
DDCクロック
7
DDC Data
入出力
DDCデータ
8
Analog V Sync
出力
アナログ垂直同期信号
9
TX1-
出力
データチャンネル1-
10
TX1+
出力
データチャンネル1+
11
TX1/3 Shield

グランド
12
Reserved

未接続
13
Reserved

未接続
14
+5V

+5V
15
GND

グランド
16
Hot Plug Detect
入力
ホットプラグ
17
TX0-
出力
データチャンネル0-
18
TX0+
出力
データチャンネル0+
19
TX0/5 Shield

グランド
20
Reserved

未接続
21
Reserved

未接続
22
TXC Shield

グランド
23
TXC+
出力
データクロック+
24
TXC-
出力
データクロック-
C1
Analog Red
出力
アナログレッド出力
C2
Analog Green
出力
アナロググリーン出力
C3
Analog Blue
出力
アナログブルー出力
C4
Analog H Sync
出力
アナログ水平同期信号
C5
Analog Ground

アナロググランド
注:
シングルチャネル仕様のケーブルをお使いください。

■ LANコネクタ(1000BASE-T/100BASE-TX/10BASE-T)

画像

□ 1000BASE-T

ピン番号
信号名
方向
説明
1
TRD0+
入出力
送受信データ0+
2
TRD0-
入出力
送受信データ0-
3
TRD1+
入出力
送受信データ1+
4
TRD2+
入出力
送受信データ2+
5
TRD2-
入出力
送受信データ2-
6
TRD1-
入出力
送受信データ1-
7
TRD3+
入出力
送受信データ3+
8
TRD3-
入出力
送受信データ3-

□ 100BASE-TX/10BASE-T

ピン番号
信号名
方向
説明
1
TD+
出力
送信データ+
2
TD-
出力
送信データ-
3
RD+
入力
受信データ+
4
NC

未接続
5
NC

未接続
6
RD-
入力
受信データ-
7
NC

未接続
8
NC

未接続

■ パラレルコネクタ

画像

ピン番号
信号名
方向
説明
1
*STROBE
入出力
ストローブ
2
DATA 0
入出力
データ0
3
DATA 1
入出力
データ1
4
DATA 2
入出力
データ2
5
DATA 3
入出力
データ3
6
DATA 4
入出力
データ4
7
DATA 5
入出力
データ5
8
DATA 6
入出力
データ6
9
DATA 7
入出力
データ7
10
*ACK
入力
アクノリッジ
11
BUSY
入力
ビジー
12
PE
入力
用紙切れ
13
SELECT
入力
セレクト
14
*AUTOFD
出力
自動送り
15
*ERROR
入力
エラー
16
*INIT
出力
初期化
17
SLCTIN
出力
セレクト
18〜25
GND

グランド

■ シリアルコネクタ

画像

ピン番号
信号名
方向
説明
1
CD
入力
キャリア検出
2
RD
入力
受信データ
3
TD
出力
送信データ
4
DTR
出力
データ端末レディ
5
GND

グランド
6
DSR
入力
データセットレディ
7
RTS
出力
送信要求
8
CTS
入力
送信可
9
RI
入力
リングインジケート

■ マウスコネクタ

画像

ピン番号
信号名
方向
説明
1
DATA
入出力
データ
2
NC

未接続
3
GND

グランド
4
VCC

電源
5
CLK
入出力
クロック
6
NC

未接続

■ キーボードコネクタ

画像

ピン番号
信号名
方向
説明
1
DATA
入出力
データ
2
NC

未接続
3
GND

グランド
4
VCC

電源
5
CLK
入出力
クロック
6
Reserved

本パソコン固有の信号が割り付けられています

■ USBコネクタ

画像

ピン番号
信号名
方向
説明
1
VCC

ケーブル・電源
2
-DATA
入出力
-データ信号
3
+DATA
入出力
+データ信号
4
GND

ケーブル・グランド

■ IEEE1394aコネクタ

画像

ピン番号
信号名
方向
内容
1
VP

ケーブル電源
2
GND

ケーブルグランド
3
PB-
入出力
-データ信号
4
PB+
入出力
+データ信号
5
PA-
入出力
-データ信号
6
PA+
入出力
+データ信号

■ COMRASコネクタ

画像

ピンNo.
信号名
方向
内容
1



2
RD
入力
受信データ
3
TD
出力
送信データ
4
DTR
出力
データ端末レディ
5
GND

グラウンド
6
DSR
入力
データセットレディ
7
RTS
出力
送信要求
8



9




ポイント

■ 基本RASコネクタ(RAS0)

画像

ポイント
端子番号
略称
信号
方向
電気的インタフェース
1
*RMTIN0
リモート入力0
入力
無電圧接点
2
*RMTRST0
リモートリセット0
入力
無電圧接点
3
*ETMP0
外部機器温度異常0
入力
無電圧接点
4
*RYOA
リレー0出力
出力
リレー接点
5
リザーブ



6
0V
GND
入力
無電圧接点
7
0V
GND
入力
無電圧接点
8
0V
GND
入力
無電圧接点
9
*RYOB
リレー0出力
出力
リレー接点

ポイント

□ リモート入力0(*RMTIN0)

画像

ポイント

□ リモートリセット 0(*RMTRST0)

外部機器からのリセット信号を*RMTRST0端子に接続し、その信号をオープンからショートにしたとき、パソコンをリセットします。
パソコン本体のリセットは、*RMTRST0端子がショートから約100ms後からかかり、約600msの間保持し、その後解除されます。

画像

ポイント

□ 外部機器温度異常(*ETMP0)

外部機器の温度異常信号を*ETMP0端子に接続し、その信号がオープンからショートになったときに、パソコン本体の電源を切断します。

画像

□ アラーム出力(*RY0A, 0B)

内部温度異常検出時、外部機器温度異常発生時、またはファン回転停止検出時に、*RY0A端子と*RY0B端子がショートします。

画像

■ RASカードのRASコネクタ(別売)

画像

ポイント

■ RASカードRASコネクタ信号割り付け

端子番号
略称
信号
方向
電気的インターフェイス
1
*RMTRST
リモートリセット
入力
無電圧接点
2
0V
GND
3
*ETMP
外部機器温度異常
入力
無電圧接点
4
0V
GND
5
*EUPS
外部UPS異常
入力
無電圧接点
6
0V
GND
7
*EINT
外部割り込み
入力
無電圧接点
8
OV
GND
9
*RY1A
リレー1出力
出力
リレー接点
10
リザーブ
11
*RY1B
12
リザーブ
13
*RY1C
14
リザーブ



15
*RY2A
リレー2出力
出力
リレー接点
16
*RY2B
17
*RY2C
18
リザーブ



19
*RY3A
リレー3出力
出力
リレー接点
20
リザーブ
21
*RY3B
22
リザーブ



23
*RY4A
リレー4出力
出力
リレー接点
24
リザーブ
25
*RY4B
26
DI0
デジタル入力0
入力
無電圧接点
27
DI1
デジタル入力1
入力
28
DI2
デジタル入力2
入力
29
DI3
デジタル入力3
入力
30
0V
GND

31
DI4
デジタル入力4
入力
32
DI5
デジタル入力5
入力
33
DI6
デジタル入力6
入力
34
DI7
デジタル入力7
入力
35
0V
GND

36
*RMTRBT
リモートリブートスイッチ
入力
37
DO0
デジタル出力0
出力
オープンコレクタ出力
38
DO1
デジタル出力1
出力
39
DO2
デジタル出力2
出力
40
DO3
デジタル出力3
出力
41
0V
GND

42
DO4
デジタル出力4
出力
43
DO5
デジタル出力5
出力
44
DO6
デジタル出力6
出力
45
DO7
デジタル出力7
出力
46
0V
GND

47
*RMIN
リモート入力
入力
無電圧接点
48
リザーブ



49
リザーブ


+12V
50
0V
GND



ポイント

□ リモートリセット(*RMTRST)

外部機器からのリセット信号を*RMTRST端子に接続し、その信号をオープンからショートにしたとき、パソコンをリセットします。
パソコン本体のリセットは、*RMTRST端子がショートからオープン後、約200msの間保持し、その後解除されます。

画像

ポイント

□ リモートブート(*RMTRBT)

外部機器からのリセット信号を*RMTRBT端子に接続し、その信号をオープンからショートにしたときに、割り込みが発生します。
RASドライバの動作時は、データ退避後、システムを終了し、パソコン本体をリセットします。

画像

ポイント

□ 外部機器温度異常(*ETMP)

外部機器の温度異常信号を*ETMP端子に接続し、その信号をオープンからショートにしたときに、割り込みが発生し、パソコン本体の電源を切断します。割り込み発生時には、リレー1接点に出力します。
RASドライバの動作時は、パソコン本体の電源を切断するまでの時間をRASドライバの設定により30秒〜10分間の範囲で設定できます(10秒単位)。デフォルトは30秒です。

画像

□ 外部UPS異常(*EUPS)

無停電電源装置(UPS)は、AC入力の停電状態検出により停電信号を出します。その信号を*EUPS端子に接続し、信号がオープンからショートまたはショートからオープンになったとき割り込みが発生します。

画像

□ 外部割り込み(*EINT)

外部機器の信号を*EINT端子に接続し、その信号がオープンからショートになったときに、割り込みが発生します。

画像

□ リレー1出力(*RY1A, 1B,1C)

内部温度異常検出時、外部機器温度異常発生時、またはファン回転停止検出時に、*RY1A端子がONになり、*RY1B端子がOFFになります。

画像

□ リレー2出力(*RY2A, 2B, 2C)

RASドライバの動作時に、パソコン本体およびRASドライバが正常に稼働しているときに*RY2A端子がONになり、*RY2B端子がOFFになります。

ポイント

画像

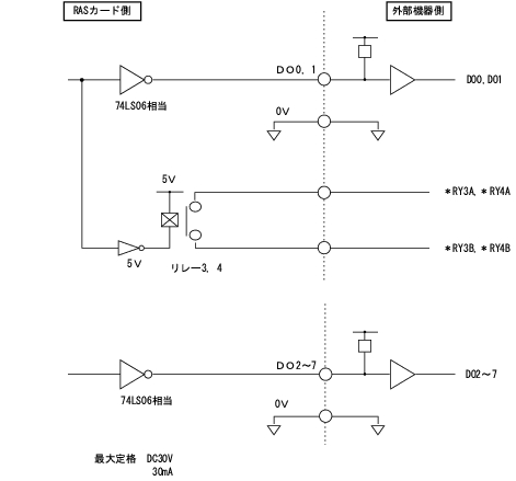
□ リレー3、4出力

ソフトウェアにより制御される出力です。リレー3とDO0、リレー4とDO1が同時に出力します。

画像

□ デジタル入力(DI0〜7)

DI0〜7端子が、オープンからショートになったとき、外部ステータスの入力が「あり」となります。

画像

□ デジタル出力(DO0〜7)

ソフトウェアにより制御される出力です。DO0とリレー3、DO1とリレー4が同時に出力されます。

画像

□ リモート入力(*RMIN)

画像


トップへ 前項目 次項目 索引

All Rights Reserved, Copyright© FUJITSU LIMITED 2006