トップへ 前項目 次項目 索引

ワークステーション本体背面

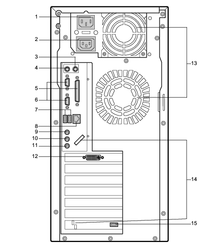
画像

  1. インレット
    電源ケーブルを接続します。
  2. アウトレット
    ディスプレイの電源ケーブルを接続します。
  3. マウスコネクタ(画像 :MOUSE)
    マウスを接続します。
  4. キーボードコネクタ(画像 :KEYBOARD)
    キーボードを接続します。
  5. パラレルコネクタ(PRINTER)
    プリンタのケーブルを接続します。
  6. シリアルコネクタ(RS232C)
    モデムなどRS-232C規格の機器のケーブルを接続します。
    上のコネクタが1番、下のコネクタが2番です。
  7. USBコネクタ
    USB規格(1.1)の機器を接続します。
  8. LANコネクタ
    LANケーブルを接続します。
  9. ラインアウト端子
    サウンド出力用端子。オーディオ機器の入力端子を接続します。
    スピーカーを直接接続する場合は、アンプ機能内蔵のものをお使いください。
  10. ラインイン端子
    サウンド入力用端子。オーディオ機器の出力端子を接続します。
  11. マイク端子
    市販のコンデンサマイクを接続します。
  12. DVI-Iコネクタ
    DVI-VGA変換ケーブルまたはデジタルディスプレイのディスプレイケーブルを接続します。なお、カスタムメイドオプションによってはコネクタの種類が異なります。
  13. 通風孔
    ワークステーション本体内部の熱を外部に逃すための開孔部です。
  14. USB固定用スリット
    USBコネクタに接続するケーブルを、固定します。
    添付のナイロンバンドを切りかけ部分に通し、ケーブルを止めます。
  15. USBコネクタ
    USB規格(1.1)の機器を接続します。
    カスタムメイドのスマートカードリーダ/ライタが取り付けられている場合、本コネクタはありません。

トップへ 前項目 次項目 索引

All Rights Reserved, Copyright(c) FUJITSU LIMITED 2002