トップへ 前項目 次項目 索引

マザーボード

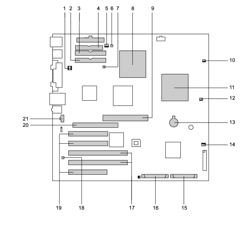
画像

  1. ファンコネクタ(プロセッサ1用)
  2. プライマリIDEコネクタ
    プライマリIDE用のケーブルを接続します。
  3. セカンダリIDEコネクタ
    セカンダリIDE用のケーブルを接続します。
  4. フロッピーコネクタ
    フロッピーディスクドライブのケーブルを接続します。
  5. ファンコネクタ1(背面120mm FAN用)
  6. 温度センサ2
    BIOS設定の「PC Health Status」メニューの「Current Remote Temp 2」に対応します。
  7. 温度センサ1
    BIOS設定の「PC Health Status」メニューの「Current Remote Temp 1」に対応します。
  8. プロセッサ1用ソケット
  9. メモリ拡張ボードコネクタ
  10. ファンコネクタ(プロセッサ0用)
  11. プロセッサ0用ソケット
  12. ファンコネクタ2(前面80mm FAN用)
  13. 内蔵バッテリ
    本ワークステーションのセットアップ設定値を保存するためのバッテリです。
  14. ファンコネクタ3(前面120mm FAN用)
  15. Ultra 160 Wide SCSIコネクタB
  16. Ultra 160 Wide SCSIコネクタA
  17. 64-bit PCIスロット
    64/32-bit PCIカードを取り付けます。
  18. 温度センサ3
    BIOS設定の「PC Health Status」メニューの「Current Remote Temp 3」に対応します。
  19. 32-bit PCIスロット
    32-bit PCIカードを取り付けます。
  20. AGP Proスロット
    グラフィックスカードを取り付けます。
  21. CD-INコネクタ
    CD-ROMドライブのオーディオケーブルを接続します。
重要

トップへ 前項目 次項目 索引

All Rights Reserved, Copyright(c) FUJITSU LIMITED 2002