トップへ 前項目 次項目 索引

メインボード

画像

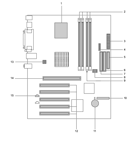
  1. CPU(ヒートシンクの下にあります)
  2. メモリスロット
    メモリを取り付けます。図中左からDIMM1〜4と並んでいます。
    メモリを増設すると、一度に読み込めるデータの量が増え、ワークステーションの処理能力があがります。
  3. 電源コネクタ
  4. 電源センサコネクタ
  5. フロッピーコネクタ
    フロッピーディスクドライブのケーブルを接続します。
  6. プライマリIDEコネクタ
    プライマリIDE用のケーブルを接続します。
  7. セカンダリIDEコネクタ
    セカンダリIDE用ケーブルを接続します。
  8. 電源コネクタ
  9. メモリ電源LED
    メモリに電源が供給されている場合に点灯します。
  10. フロントパネルコネクタ
    フロントパネルからのスイッチケーブル、およびSCSIハードディスク用のLEDケーブルを取り付けます。
  11. 内蔵バッテリ
    本ワークステーションの時計機能の設定と、BIOSの設定を保存するためのバッテリです。標準の使用状態(1日8時間)で約5年間お使いになれます。
  12. 32bit/33MHz PCIスロット
    32bit/33MHz PCIカードを取り付けます。図中上から、32bit/33MHz PCI スロット1〜5と並んでいます。
    カスタムメイドオプションでHDD変更(SCSI)を選択している場合、32bit/33MHz PCIスロット5にSCSIカードが取り付けられています。
    カスタムメイドオプションでFIRE GL X1またはWildcat 4 7110を選択している場合、32bit/33MHz PCIスロット1は使えません。
ポイント
  1. 電源コネクタ
  2. AGP Pro 50スロット
    グラフィックスカードを取り付けます。
  3. CD INコネクタ(黒)
    CD-ROMドライブからのAUDIOケーブルを接続します。

トップへ 前項目 次項目 索引

All Rights Reserved, Copyright© FUJITSU LIMITED 2003