トップへ 前項目 次項目 索引

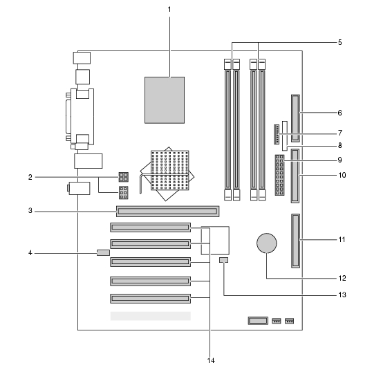
メインボード

画像

  1. CPU(ヒートシンクの下にあります)
  2. 電源コネクタ
  3. AGP Pro 50スロット
    グラフィックスカードが取り付けられています。
  4. CD INコネクタ(黒)
    CD-ROMドライブからのAUDIOケーブルを接続します。
  5. メモリスロット
    メモリが取り付けられています。
    ワークステーション本体前面から見て、手前から、DIMM4、DIMM2、DIMM3、DIMM1の順に並んでいます。DIMM1とDIMM2には、標準のメモリが搭載されています。
  6. フロッピーコネクタ
    フロッピーディスクドライブと接続されているケーブルが接続されています。
  7. 電源センサコネクタ
  8. フロントパネルコネクタ
    フロントパネルからのスイッチケーブル、およびSCSIハードディスク用のLEDケーブルを取り付けます。
  9. 電源コネクタ
  10. セカンダリIDEコネクタ
    標準のCD-ROMドライブと接続されているケーブルが接続されています。
  11. プライマリIDEコネクタ
    標準のハードディスクと接続されているケーブルが接続されています。
  12. 内蔵バッテリ
    本ワークステーションの時計機能の設定とBIOSで設定したセットアップ設定値を保存するためのバッテリです。標準の使用状態(1日8時間)で約5年間お使いになれます。
  13. メモリ電源LED
    メモリに電源が供給されている場合に点灯します。
  14. PCIスロット
    32bit/33MHz PCIカードを取り付けます。ワークステーション上部からPCI スロット1〜5の順に並んでいます。
    カスタムメイドでHDD変更(SCSI)を選択している場合、PCIスロット5にSCSIカードが取り付けられています。
    カスタムメイドでQuadro FX 2000またはWildcat4 7110を選択している場合、PCIスロット1は使えません。
ポイント

トップへ 前項目 次項目 索引

All Rights Reserved, Copyright© FUJITSU LIMITED 2003