トップへ 前項目 次項目 索引

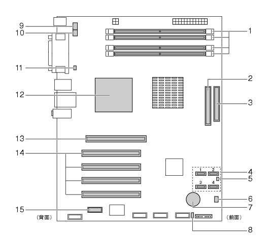
メインボード

各番号をクリックすると説明箇所へジャンプします。

画像

  1. メモリスロット
    メモリを取り付けます。
    図中下から、DIMM1、DIMM2、DIMM3、DIMM4の順に並んでいます。
    「増設」−「メモリを取り付ける」
  2. パラレルATAコネクタ
    CD-ROMドライブが接続されているケーブルが接続されています。
  3. フロッピーコネクタ
    フロッピーディスクドライブが接続されているケーブルが接続されています。
  4. Serial ATAコネクタ
    Serial ATAインターフェースのハードディスクを接続するケーブルを接続することができます。
    Serial ATAコネクタ1に標準のハードディスク(Serial ATA HDD)が接続されているケーブルが接続されています。
  5. 温度センサー(FRONT)
  6. FRONT FANコネクタ
  7. 内蔵バッテリ
    本ワークステーションの時計機能の設定とBIOSで設定したセットアップ設定値を保存するためのバッテリです。標準の使用状態(1日8時間)で約5年間お使いになれます。
  8. SCSI LEDピン
    SCSI LEDケーブルを取り付けることができます。
  9. CPU FANコネクタ
  10. REAR FANコネクタ
  11. 温度センサー(REAR)
  12. CPU(ヒートシンクの下にあります)
  13. PCI Express x16 Graphicsコネクタ
    グラフィックスカードが取り付けられています。
  14. PCIコネクタ
    32bit/33MHz PCIカードを取り付けることができます。ワークステーション上部からPCI スロット1〜4の順に並んでいます。
    カスタムメイドでHDD変更(SCSI)を選択している場合、PCIスロット4にSCSIカードが取り付けられています。
  15. PCI Express x1コネクタ
    PCI Express x1規格のカードを取り付けることができます。

トップへ 前項目 次項目 索引

All Rights Reserved, Copyright© FUJITSU LIMITED 2006