トップへ 前項目 次項目 索引

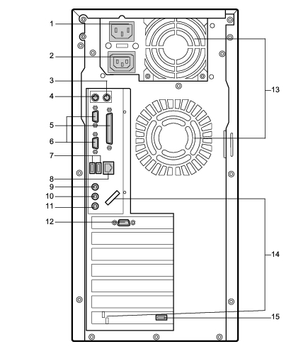
パソコン本体背面

画像

  1. インレット
    電源ケーブルを接続します。
  2. アウトレット
    ディスプレイの電源ケーブルを接続します。
  3. マウスコネクタ(画像 :MOUSE)
    マウスを接続します。
  4. キーボードコネクタ(画像 :KEYBOARD)
    キーボードを接続します。
  5. パラレルコネクタ(PRINTER)
    プリンタのケーブルを接続します。
  6. シリアルコネクタ(RS232C)
    モデムなどRS-232C規格の機器のケーブルを接続します。
  7. USBコネクタ
    USB規格の機器を接続します。
  8. LANコネクタ
    LANケーブルを接続します。
  9. ラインアウト端子
    サウンド出力用端子。オーディオ機器の入力端子を接続します。
    スピーカーを直接接続する場合は、アンプ機能内蔵のものをお使いください。
  10. ラインイン端子
    サウンド入力用端子。オーディオ機器の出力端子を接続します。
  11. マイク端子
    市販のコンデンサマイクを接続します。
  12. CRTコネクタ
    アナログRGB規格のディスプレイケーブルを接続します。
  13. 通風孔
    パソコン本体内部の熱を外部に逃すための開孔部です。
  14. USB固定用スリット
    USBコネクタに接続するケーブルを、固定します。
    添付のナイロンバンドを切りかけ部分に通し、ケーブルを止めます。
  15. USBコネクタ
    USB規格の機器を接続します。
    カスタムメイドのスマートカードリーダ/ライタが取り付けられている場合、本コネクタはありません。

トップへ 前項目 次項目 索引

All Rights Reserved, Copyright(c) FUJITSU LIMITED 2001