トップへ 前項目 次項目 索引

マザーボード

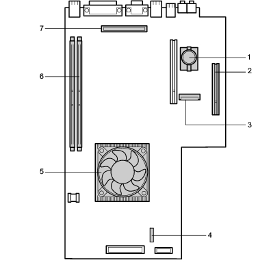
画像

  1. 内蔵バッテリ
    本パソコンの時計機能とBIOSセットアップで設定した各設定を保存するためのバッテリです。約5年間お使いになれます。
  2. AGPコネクタ
    グラフィックカードを取り付けます。
  3. セカンダリIDEコネクタ(IDE2)
    標準のCD-ROMドライブが接続されています。
  4. フロッピーコネクタ(FDD)
  5. CPU
  6. DIMMスロット
    メモリを取り付けます。
    メモリを増やすと、一度に読み込めるデータの量が増え、パソコンの処理能力があがります。
    パソコン本体の前面から見て、右からDIMM1、DIMM2と並んでいます。
    DIMM1には、標準のメモリが接続されています。
  7. プライマリIDEコネクタ(IDE1)
    標準のハードディスクが接続されています。

トップへ 前項目 次項目 索引

All Rights Reserved, Copyright(c) FUJITSU LIMITED 2002