トップへ 前項目 次項目 索引

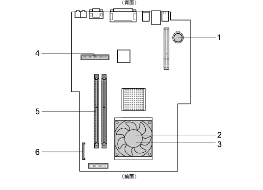
メインボード

各番号をクリックすると説明箇所へジャンプします。

画像

  1. 内蔵バッテリ
    本パソコンの時計機能とBIOSセットアップで設定した設定値を保存するためのバッテリです。標準の使用状態(1日約8時間)で約5年間お使いになれます。
  2. CPUファン
    CPUを冷却するためのファンです。
    本パソコンでは、CPU温度が低いときは静音性向上のために、CPUファンの回転を止める仕様になっております。特にパソコンを起動した直後は、一度CPUファンが回転した後、自動的に回転が止まることがありますが、異常ではありません。
    また、CPUファンとシステムファン(
    Click)は、回転を開始する温度と回転を止める温度がそれぞれ異なるため、CPUファンが回転していても、システムファンは回転していないという状態になることがあります。
  3. CPU/ヒートシンク(CPUファンの下にあります)
  4. プライマリIDEコネクタ(IDE1)
    標準のハードディスクとCD-ROMドライブが接続されています。
  5. DIMMスロット
    メモリを取り付けます。
    パソコン本体の前面から見て左から、DDR1、DDR2と並んでいます。DDR1には、標準のメモリが搭載されています。
    「増設」−「拡張カードを取り付ける」
  6. フロッピーコネクタ(FDD)
    フロッピーディスクドライブが接続されています。

トップへ 前項目 次項目 索引

All Rights Reserved, Copyright© FUJITSU LIMITED 2006