本書のTOPへ 前項目 次項目 索引

メインボード

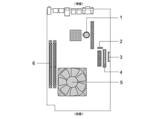
各番号をクリックすると説明箇所へジャンプします。

画像

  1. 内蔵バッテリ
    本パソコンの時計機能とBIOSセットアップで設定した設定値を保存するためのバッテリです。標準の使用状態(1日約8時間)で約5年間お使いになれます。
  2. シリアルATAコネクタ
    標準のハードディスクドライブが接続されています。
  3. フロッピーコネクタ
    カスタムメイドで内蔵FDD追加を選択している場合、フロッピーディスクドライブが接続されています。
  4. IDEコネクタ(IDE1)
    カスタムメイド、またはFMVバリューシリーズで選択したCD-ROMドライブが接続されています。
  5. CPU/ヒートシンク(ファンの下にあります)
  6. DIMMスロット
    メモリを取り付けます。
    パソコン本体の前面から見て右から、DIMM1、DIMM2と並んでいます。DIMM1には、標準のメモリが搭載されています。
    「増設」−「メモリを取り付ける」

本書のTOPへ 前項目 次項目 索引

All Rights Reserved, Copyright© FUJITSU LIMITED 2006