トップへ 前項目 次項目 索引

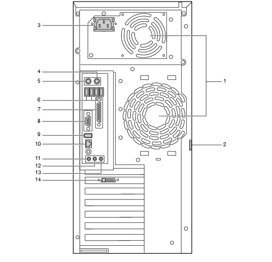
ワークステーション本体背面

画像

  1. 通風孔(冷却ファン)
    ワークステーション本体内部の熱を外部に逃すための開孔部です。
  2. 盗難防止用ロック
    市販の鍵を取り付けます(Click)。
  3. インレット
    電源ケーブルを接続します。
  4. マウスコネクタ(画像
    マウスを接続します。
  5. キーボードコネクタ(画像
    キーボードを接続します。
  6. USBコネクタ(画像
    USB規格(2.0および1.1)の機器を接続します。
  7. パラレルコネクタ(画像
    プリンタのケーブルを接続します。
  8. シリアルコネクタ(画像
    モデムなどRS-232C規格の機器のケーブルを接続します。
  9. IEEE1394コネクタ(画像
    IEEE1394規格の周辺機器を接続します。
  10. LANコネクタ(画像
    非シールド・ツイストペア(UTP)ケーブルを接続します。
    1000Mbpsで使用する場合には、エンハンスドカテゴリ5のケーブルが必要です。
    100Mbpsで使用する場合には、カテゴリ5のケーブルが必要です。
画像

LEDの意味は、次のとおりです。
1000MbpsでLINKを確立 :上部LED緑色点灯、下部LED緑色点灯
100MbpsでLINKを確立 :上部LEDオレンジ色点灯、下部LED緑色点灯
10MbpsでLINKを確立 :上部LED消灯、下部LED緑色点灯
データを転送中 :下部LED緑色点滅
  1. マイク端子(画像
    市販のコンデンサマイクを接続します。
  2. ヘッドホンアウト端子(画像
    オーディオ機器の入力端子を接続します。
    スピーカーを直接接続する場合は、アンプ機能内蔵のものをお使いください。
    ワークステーション本体前面のヘッドホンアウト端子にオーディオ機器を接続した場合、お使いになれません。
  3. ラインイン端子(画像
    オーディオ機器の出力端子を接続します。
  4. DVI-Iコネクタ
    DVI-VGA変換ケーブルまたはデジタルディスプレイのディスプレイケーブルを接続します。なお、カスタムメイドオプションによってはコネクタの数が異なります。

トップへ 前項目 次項目 索引

All Rights Reserved, Copyright© FUJITSU LIMITED 2003-2004