トップへ 前項目 次項目 索引

マスターとスレーブについて

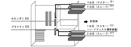
本ワークステーションは、IDE規格のデバイスを最高4台内蔵できます。4台のうち1台目および2台目は、プライマリIDEのマスターとスレーブに取り付けます。残りの3台目および4台目は、セカンダリIDEのマスターとスレーブに取り付けます。
このマスターとスレーブの設定は、内蔵IDEデバイスをフラットケーブルにどのように接続するかによって決定されます(このような設定方法を、ケーブルセレクトといいます)。次図のフラットケーブルのマスターのコネクタをIDEデバイスに接続すると、マスターの設定になり、スレーブのコネクタをIDEデバイスに接続すると、スレーブの設定になります。
ケーブルセレクトを行うためには、内蔵IDEデバイスのジャンパスイッチがケーブルセレクトの設定になっている必要があります。
また、ケーブルセレクトができない内蔵IDEデバイスを接続する場合、マスターに接続するときは、IDEデバイスの設定をマスターの設定に、スレーブに接続するときは、IDEデバイスの設定をスレーブの設定にしてください。

画像

注1:
CD-ROMドライブを標準搭載、カスタムメイドでDVD-ROM&CD-R/RWドライブ選択可能。
注2:
カスタムメイドで光磁気ディスクを選択している場合、光磁気ディスクドライブ搭載。
注3:
3.5インチファイルベイには、ハードディスクのみ搭載可能。


画像

ポイント

トップへ 前項目 次項目 索引

All Rights Reserved, Copyright© FUJITSU LIMITED 2004