トップへ 前項目 次項目 索引

メモリを取り付ける

  1. 電源プラグをコンセントから抜きます。
  2. アッパーカバーを取り外します(Click)。
  3. ダクトを取り外します。
画像

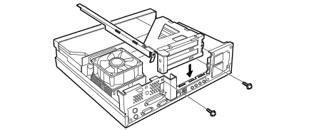
  1. 拡張カード取り付け金具と、補強金具を取り外します。
    ネジ(2ヶ所)を外し、拡張カード取り付け金具を真上に引き上げます(補強金具も一緒に取り外せます)。
    すでに拡張カードが増設されている場合は、増設された拡張カードに接続されているケーブルを抜いてから、取り外してください。
画像

  1. スロットの両側のフックを外側に開きます。
画像

  1. メモリをスロットに差し込みます。
    メモリの切り欠き部(1ヶ所)とスロットの突起部分(1ヶ所)を合わせて、スロットに差し込みます。
    正しく差し込まれると、スロットの両側のフックが起きます。このとき、フックがメモリをしっかり固定しているか確認してください。
ポイント
画像

  1. 拡張カード取り付け金具と、補強金具を取り付けます。
    手順4で外したネジ(2ヶ所)で固定します。
画像

  1. ダクトを取り付けます。
    ツメ(4ヶ所)をツメ穴に差し込みます。
画像

  1. アッパーカバーを取り付けます。
ポイント
画像


トップへ 前項目 次項目 索引

All Rights Reserved, Copyright(c) FUJITSU LIMITED 2002