コネクタのピン配列と信号名
■ ディスプレイコネクタ(DVI-I準拠)
■ LANコネクタ(1000BASE-T/100BASE-TX/10BASE-T)
■ パラレルコネクタ
■ シリアルコネクタ
■ マウスコネクタ
■ キーボードコネクタ
■ USBコネクタ
■ IEEE1394aコネクタ
■ COMRASコネクタ

■ 基本RASコネクタ(RAS0)


外部機器からのリセット信号を*RMTRST0端子に接続し、その信号をオープンからショートにしたとき、パソコンをリセットします。
パソコン本体のリセットは、*RMTRST0端子がショートから約100ms後からかかり、約600msの間保持し、その後解除されます。

外部機器の温度異常信号を*ETMP0端子に接続し、その信号がオープンからショートになったときに、パソコン本体の電源を切断します。

内部温度異常検出時、外部機器温度異常発生時、またはファン回転停止検出時に、*RY0A端子と*RY0B端子がショートします。

■ RASカードのRASコネクタ(別売)

■ RASカードRASコネクタ信号割り付け
| 端子番号 | 略称 | 信号 | 方向 | 電気的インターフェース |
|---|---|---|---|---|
外部機器からのリセット信号を*RMTRST端子に接続し、その信号をオープンからショートにしたとき、パソコンをリセットします。
パソコン本体のリセットは、*RMTRST端子がショートからオープン後、約200msの間保持し、その後解除されます。

外部機器からのリセット信号を*RMTRBT端子に接続し、その信号をオープンからショートにしたときに、割り込みが発生します。
RASドライバの動作時は、データ退避後、システムを終了し、パソコン本体をリセットします。

外部機器の温度異常信号を*ETMP端子に接続し、その信号をオープンからショートにしたときに、割り込みが発生し、パソコン本体の電源を切断します。割り込み発生時には、リレー1接点に出力します。
RASドライバの動作時は、パソコン本体の電源を切断するまでの時間をRASドライバの設定により30秒〜10分間の範囲で設定できます(10秒単位)。初期値は30秒です。

無停電電源装置(UPS)は、AC入力の停電状態検出により停電信号を出します。その信号を*EUPS端子に接続し、信号がオープンからショートまたはショートからオープンになったとき割り込みが発生します。

外部機器の信号を*EINT端子に接続し、その信号がオープンからショートになったときに、割り込みが発生します。

内部温度異常検出時、外部機器温度異常発生時、またはファン回転停止検出時に、*RY1A端子がONになり、*RY1B端子がOFFになります。

RASドライバの動作時に、パソコン本体およびRASドライバが正常に稼働しているときに*RY2A端子がONになり、*RY2B端子がOFFになります。

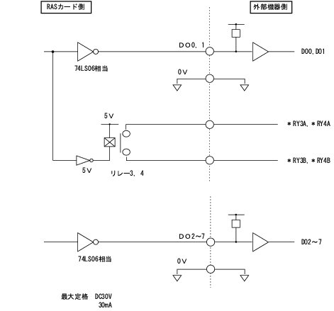
ソフトウェアにより制御される出力です。リレー3とDO0、リレー4とDO1が同時に出力します。

DI0〜7端子が、オープンからショートになったとき、外部ステータスの入力が「あり」となります。

ソフトウェアにより制御される出力です。DO0とリレー3、DO1とリレー4が同時に出力されます。








